Schémy - MZ 150

Odkazy na jiné weby => e-shopy, technické informace, návody ("bible"), atd...
Odpovědět
Marthas
Příspěvky: 12
Registrován: pát 14. dub 2017 10:41

Schémy - MZ 150

Příspěvek od Marthas »

Rozhodol som sa dať tu všetky schémy na 1 miesto, aby sa dali ľahšie nájsť. Mám tu klasické i menej známe schémy. :-)

Schéma 1 - klasická schéma z knižky o MZ (dole pridané aj zapojenie reglera zo š. 120)
Elektricke-schema.jpg
Schéma 2 - anglická schéma pre novšie modely motoriek,možno trocha zložitejšia lebo nieje v priestore ako v realite
241176_mzetz125150251.png
Schéma 3 - poľská schéma, vhodná pre začiatočníkov
rys.2prosty_2022.jpg
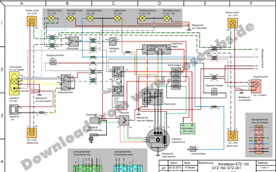
Schéma 4 - nemecká schéma, podľa mňa najlepšie spracovanie zo všetkých (PDF http://moser-bs.de/MZ/Schaltpl%e4ne/etz251.pdf)
Screenshot_4.png
,

Schéma 5 - odľahčená elektrika (pre káry ..) len zapalovanie a dobíjanie
7_1267702263.jpg
Schéma 6 - rozdiel medzi originál reglerom a reglerom zo škody 120
MZ ETZ dobíjení.jpg

Odpovědět